> 数据图表

咨询下各位PSM 高压电源电路原理图

2025-8-2
咨询下各位PSM 高压电源电路原理图
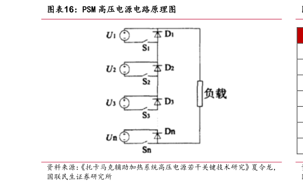
3) 故障响应快:负载故障时,只需要闭锁模块内部开关驱动,即可切断高压电源向负载的供电,其响应时间为微秒量级,能够很好的实现负载打火保护。